汽车电工电子实训台架设计
时间:2025-09-01 23:44:58 点击次数:
ag体育厂

汽车电工电子实验台架是为了提供一个真实模仿的汽车电工电子系统环境,使学习掌控把握掌控把握掌控把握者能够实行相关技能的实践和培训。该实验台架以plc实验台为核心,含有概括了各种汽车电工电子零部位件和控制模型块,能够模拟真实的汽车电子线路和控制系统。
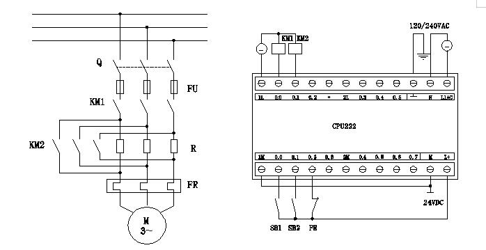
PLC实验台是一种基于可编程逻辑控制器(PLC)的实践平台,它经过模拟真实的汽车电子线路和控制系统来实行实验。PLC作为现代工业自动化领域中的一种重要设备,广泛应用来各个行业,特别是汽车制造业。在汽车电工电子领域,PLC实验台的设计可以帮助学生理解和熟悉汽车电子线路的原理和作业方法,提升他们的实际实操能力和故障排除能力。
在汽车电工电子实验台架的设计中,需要考虑以下几个方面:
1.模拟真实的汽车电子线路:实验台架应具备模拟真实汽车电子线路的能力,含有概括点火系统、充电系统、起动系统、仪表系统等。经过真实的电子线路模仿,学习掌控把握掌控把握掌控把握者可以更好地理解和掌控把握汽车电工电子系统的作业原理。
2.含有概括各种电子零部位件和控制模型块:实验台架应具备含有概括各种汽车电工电子零部位件和控制模型块的能力,如传感器、执行器、开关、继电器等。这些零部位件和控制模型块可以与PLC实行连接和控制,使学习掌控把握掌控把握掌控把握者能够实行真实的实验和实操。

3.提供故障模仿和排除功能:实验台架应具备故障模仿和排除功能,经过在电子线路中引入不一样类型的故障,如短路、断路、接触不良等,让学习掌控把握掌控把握掌控把握者学会如何经过故障排除方法实行问题诊断和修复。
4.支持数值收集和解析:实验台架应具备数值收集和解析功能,经过传感器和仪表的数值收集,学习掌控把握掌控把握掌控把握者可以对汽车电工电子系统的各种功能数值实行监测和解析,提升他们的数值处置整理和故障诊断能力。
在设计实验台架的中,需要充分考虑学习掌控把握掌控把握掌控把握者的需求和实际应用场景。--可以按照学习掌控把握掌控把握掌控把握者的水平和课程要求,设计不一样难度和复杂度的实验任务,以逐步提升学习掌控把握掌控把握掌控把握者的技能和知识水平。--还可以与汽车制造商和维修服务商合作,收集真实汽车电工电子系统的数值和故障案例,用来实验台架的研发和改进。
--汽车电工电子实验台架的设计是为了提供一个逼真的汽车电工电子系统环境,帮���学习掌控把握掌控把握掌控把握者理解和掌控把握汽车电子线路的原理和作业方法,提升他们的实践实操能力和故障排除能力。经过PLC实验台等技术手段的应用,实验台架能够有效地促进学习掌控把握掌控把握掌控把握者的学习掌控把握掌控把握掌控把握效果和能力提升。
常见问题:
1、如果我要购买汽车电工电子实训台架设计,是否有安装、培训服务呢?
答:我们的设备如果没有特别注明“不含安装”“裸机价”“出厂”等字样的,都是提供安装、培训服务的。
2、你们的汽车电工电子实训台架设计是否能开增值税专用发票?
答:可以的,我们是正规企业,并且已经升级到一般纳税人,可以开具增值税专用发票,如果您需要开汽车电工电子实训台架设计的发票,您需要提供开票资料。
3、你们的汽车电工电子实训台架设计都是自己生产的吗?都有什么产品资质?
答:我们公司是专业生产教学设备的企业,完全自主生产,并通过了最新版ISO9001认证,拥有多项专利与著作权。
本文来自网络,不代表本站立场,图片为参考图片,转载请注明出处:汽车电工电子实训台架设计